在线下单
在线下单ONLINE ORDER
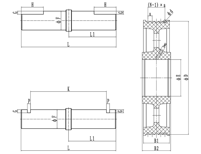
绳轮尺寸参数 (单位:mm)
  • 轮节径[D]

  • 孔径[E]

  • 槽数[N]

  • 绳径[d]

  • 槽距[a]

  • 轮宽[B1]

  • 毂宽[B2]

  • 注油孔[M]

辅助参数
  • 梯型

  • 额定载重[KG]

  • 轿厢自重[KG]

  • 梯速[m/s]

  • 曳引比

  • 轮位置

  • 件数/台

轴尺寸参数 (单位:mm)
  • 轴承径[F]

  • 铣边深/槽口深[G]

  • 铣边宽[H]

  • 偏心[L1]

  • 总长[L]

  • 槽口距[K]

  • 槽口宽[P]

1523935840532486.jpg

单位

姓名

手机

未标题-1.jpg